東元TEV4電機地腳4孔位安裝
2024-01-04 17:05:46
WUXI TECO
71
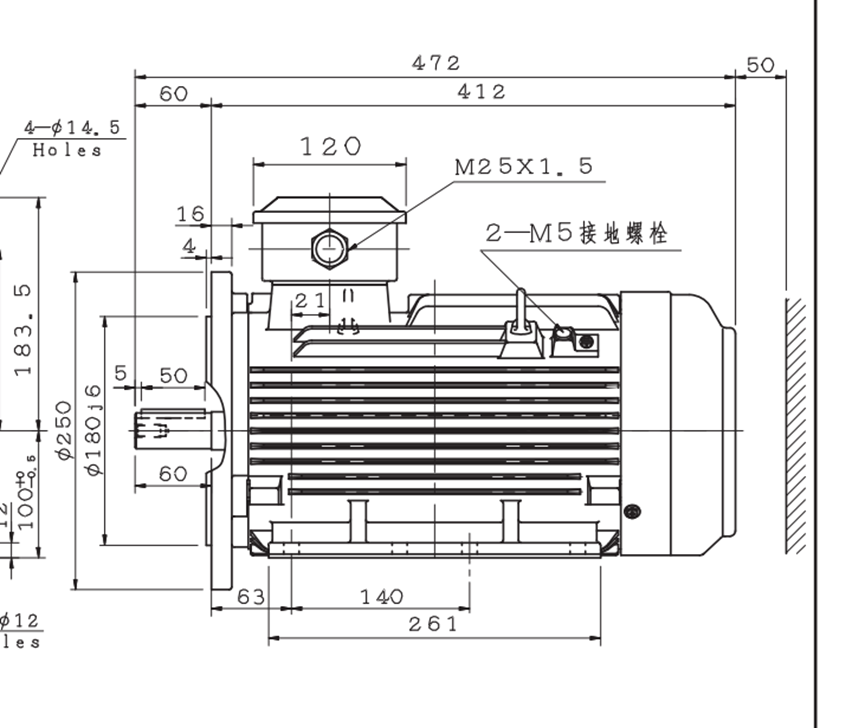
東元TEV4 A-line電機中2.2KW-7.5KW電機底腳一側4個孔,左右兩側一共8個孔。
客戶實際安裝時面向負載側安裝第一和第三孔就可以,東元TEV4 A-line電機中2.2KW-7.5KW電機底腳一側4個孔,共8個孔,除正常安裝的4個底腳孔,剩余4個孔的作用是用于電機反組裝
